Logo
公司新闻
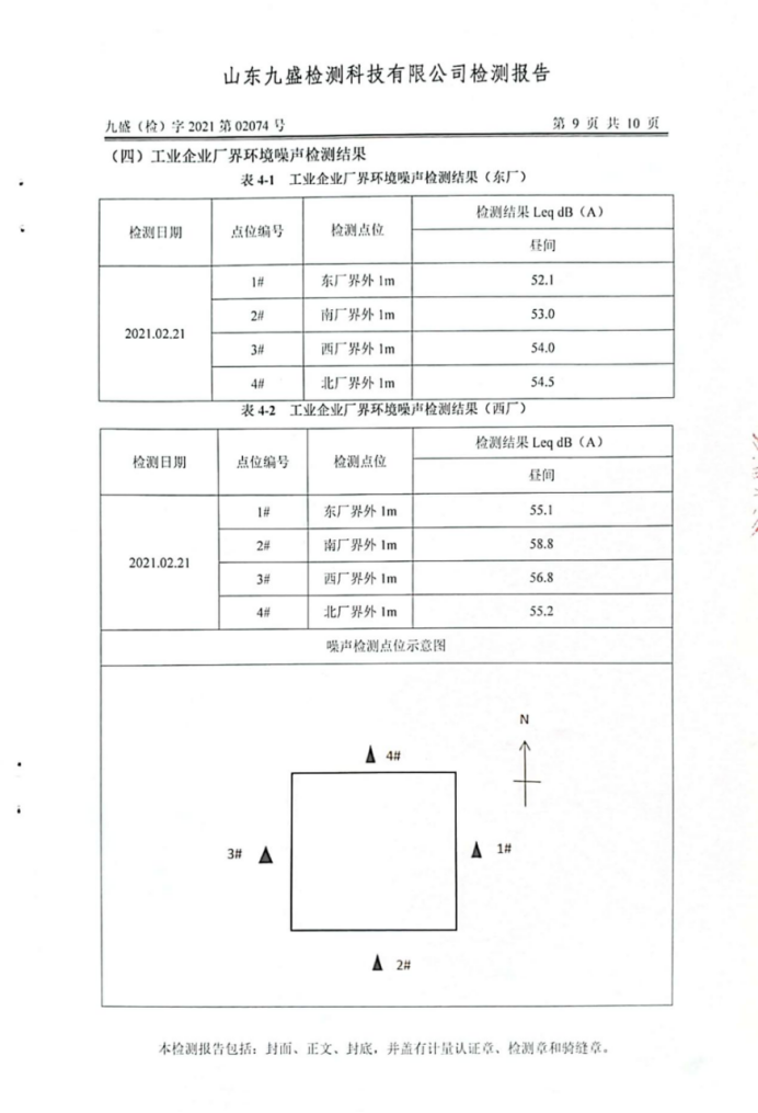
环境检测报告
点击量:406次
上一条:
山东华昱开展“学党史、颂党恩、跟党走、庆党百年华诞”主题教育活动!
下一条:
区总工会到山东华昱开展“夏送清凉”慰问活动!
©2016 山东华昱压力容器股份有限公司 版权所有
首页
关于我们
公司介绍
企业文化
发展历程
荣誉资质
团队介绍
企业风采
视频中心
新闻中心
公司新闻
行业新闻
产品中心
机组系列
换热器
板式热交换器
电站辅机
供水设备
非标设备
保温管道
项目案例
电厂行业
供热行业
化工机械行业
其他行业
企业实力
科研研发
体系认证
生产实力
服务与支持
营销网络
客户服务
技术资料
下载中心
人力资源
岗位招聘
人才理念
员工风采
联系我们
联系方式
客户留言